芯城品牌采购网 > 品牌资讯 > 全部资讯

据韩联社报道,美国最大规模芯片设备制造商应用材料(AMAT)将参与韩国化工材料公司SKC旗下芯片玻璃基板制造商Absolics的增资入股项目。据韩国金融监督院1月2日公布的消息,SKC日前公布Absolics决定进行第三者配股增资,筹集用于建设设备的资金1659亿韩元(约合人民币9.042亿元)。Absolics将发行新股13万股,SKC和AMAT参与此次增资,分别增持9万股和4万股,投资额分别为

芯城品牌采购网

7500

2022年12月30日,龙芯中科宣布,面向物联网领域研制的两款主控芯片--龙芯1C102和龙芯1C103已于近期流片成功,两款微控制器芯片各项功能测试正常,符合设计预期。据官方介绍,龙芯1C102采用龙芯LA132处理器核心,是一款面向嵌入式领域定制的芯片产品,该芯片集成Flash、SPI、UART、I2C、RTC、TSENSOR、VPWN、ADC等功能模块,可广泛应用于各种智能设备和物联网相关产

芯城品牌采购网

8634

2022年12月30日,赛微电子发布公告称,赛莱克斯北京与武汉敏声合作共建的8英寸BAW滤波器联合产线达到各项要求和标准,实现通线,具备进行下一步产能爬坡、良率提升及大规模量产的基础。2021年8月13日,赛微电子控股子公司赛莱克斯北京与武汉怡格敏思科技有限公司、武汉敏声签署了《战略合作框架协议》;2022年6月17日,各方签署《战略合作框架协议之补充协议》,由赛莱克斯北京与武汉敏声继续合作投资面

芯城品牌采购网

7846

一文了解新型存储技术-芯城品牌采购网

随着5G、人工智能(AI)、智能汽车等新兴应用的快速更迭,市场对数据存储在速度、功耗、容量、可靠性等层面提出了更高要求,存储器技术也在不断地面临着新的挑战。在当前主流的存储器技术中,DRAM虽然速度快,但功耗大、容量低、成本高,且断电无法保存数据,使用场景受限;NANDFlash读写速度低,存储密度明显受限于工艺制程。为了突破DRAM、NANDFlash等传统存储器的局限,存储器技术壁垒不断被突破

芯城品牌采购网

8934

近年来,在新能源车、光伏、风电和储能等的带动下,全球功率半导体市场规模不断加速成长,国内以士兰微、华润微电子、时代电气、安世半导体、斯达半导、新洁能、东微半导、扬杰科技微代表的功率半导体公司成长迅速,近期华润微电子传来好消息。12月29日,据华润微电子官方公众号消息,华润微电子重庆12英寸晶圆制造生产线以及先进功率封测基地实现通线。公开资料显示,华润微电子重庆12英寸晶圆制造生产线项目总投资75.

芯城品牌采购网

8625

不懂模拟电路设计,如何完成温度信号采集?-芯城品牌采购网

常规的电路方案1.使用ADI和TI公司的高集成ADC芯片完成采集。电路需要少量的外围无源元件,先从ADC读取采样值,再在MCU中进行查表换算,将采样值换算成温度值。2.使用国产的信号链芯片自行搭建。随着国内基础模拟信号链芯片的日益完善,考虑使用国产器件完成同等性能的电路,如图1。这样能降低物料供应链的风险、进一步优化成本,实现温度采集,这类基础物理量采集电路的自主可控。图1电路主要由24位SD型A

芯城品牌采购网

8966

100%国产化低相位噪声频率综合器研制成功-芯城品牌采购网

低相位噪声频率综合器NFS21-19频率综合器是现代电子系统的重要组成部分,在通讯、雷达、电子对抗、遥控遥测和仪器仪表等众多领域得到了广泛应用。尤其是在卫星导航通信、5G6G、量子通讯、电子战等系统中,频率综合器一直都是射频系统的核心部件。随着电子信息技术的发展,电子系统的高性能和小型化已经成为了一个必然的发展趋势,而频率综合器的性能提升和小型化将是实现整个电子系统性能提升的关键环节之一。在目前国

芯城品牌采购网

7297

定义:是由两块金属电极之间夹一层绝缘电介质构成。当在两金属电极间加上电压时,电极上就会存储电荷,所以电容器是储能元件。任何两个彼此绝缘又相距很近的导体,组成一个电容器。平行板电容器由电容器的极板和电介质组成。特点:1.它具有充放电特性和阻止直流电流通过,允许交流电流通过的能力。2.在充电和放电过程中,两极板上的电荷有积累过程,也即电压有建立过程,因此,电容器上的电压不能突变。电容器的充电:两板分别

芯城品牌采购网

7941

5个并联电容的9个谐振频率-芯城品牌采购网

理想电容只存在于教科书中,现实世界的每个电容器都会因其实体结构而产生额外的复杂性。由介电层(dielectriclayer)隔开的两个极板(plate)与导线或金属箔(metalfoil)串联,即可实现实际的连接;这两种金属导体会导入等效串联电感(ESL)以及等效串联电阻(ESR)。总而言之,实体电容就是一种串联谐振电路(seriestankcircuit),具有串联谐振频率以及受串联电阻影响的串

芯城品牌采购网

6786

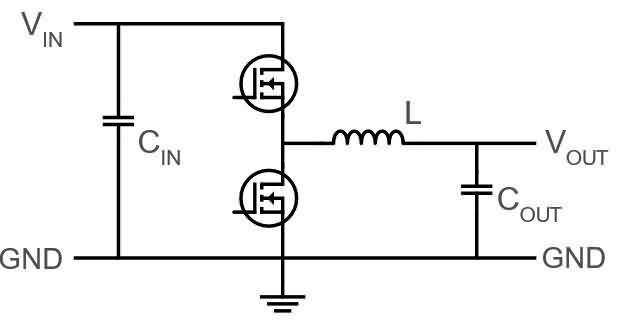
降压变换器功耗以及如何提高效率-芯城品牌采购网

本文将探讨在设计降压(buck或step-down)变换器时哪些参数最重要,以及如何将其与可用的最佳电感配对。我们还将学习如何计算基本参数,并解释开关模式电源IC和电感的一些参数要求,包括纹波电流、电感(L)、饱和电流(ISAT)和额定电流(IR)。当今电子行业近10年来,消费者越来越期望技术使他们的生活更轻松。与此同时,普通家庭的电子产品数量也在增加。不断增多的连接和电子设备选择意味着这些设备必

芯城品牌采购网

6552

光耦合器输入驱动电路的LED电流分流技术-芯城品牌采购网

本文档重点介绍光耦合器,包括其基本原理,操作和常见应用。为了最大程度地提高设备效率,建议使用一些技术。还讨论了将LED用作输入的情况以及用于所述拓扑的相应处理技术。简介光耦合器是光源和光敏检测器的组合。在光耦合器或光子耦合对中,耦合是通过在透明绝缘间隙的一侧生成光,并在间隙的另一侧检测到光而实现的,而两侧之间没有电连接(少量的光耦合器除外)耦合电容)。在飞兆半导体的光耦合器中,光是由红外发光二极管

芯城品牌采购网

9898

场效应管的工作原理是什么场效应管的特点-芯城品牌采购网

场效应管是利用控制输入回路的电场效应来控制输出回路电流的一种半导体器件,由于它仅靠半导体中的多数载流子导电,又称单极型晶体管。场效应管具有输入电阻高、噪声小、功耗低、动态范围大、易于集成、没有二次击穿现象、安全工作区域宽等优点。场效应管的工作原理是什么?场效应管的特点有哪些?场效应管的工作原理是什么场效应管的特点场效应管的工作原理是什么场效应管的工作原理是什么场效应管工作原理用一句话说,就是“漏极

芯城品牌采购网

7520

这一文来说说什么是磁传感器芯片?最常用的磁传感器芯片类型及应用-芯城品牌采购网

1.什么是磁传感器半导体芯片?磁传感器半导体芯片通常是指将磁场的大小和变化转换成电信号。磁场,以地球磁场(地磁)或磁石为例的磁场是我们熟悉但不可见的现象。将不可见的磁场转化为电信号,以及转化为可见效应的磁传感器一直以来都是研究的主题。从几十年前使用电磁感应效应的传感器,到如今涉及磁场电效应、磁阻效应、约瑟夫森效应和其他物理现象的应用。2.典型磁传感器及其应用现在,利用各种物理效应的传感器已经商业化

芯城品牌采购网

8758

2月15日,北京烁科中科信宣布本年度首台大束流离子注入机在国内某知名集成电路产线movein。离子注入机是集成电路制造前工序中的关键设备。北京烁科中科信称,本台设备是大束流离子注入机工程化最新成果的集中体现,在原有设备性能的基础上,优化了多项机台核心参数,综合WPH已实现与国际先进机台对标。据了解,北京烁科中科信电子装备有限公司成立于2019年6月17日,公司源于中国电科第48研究所,是国内唯一一

芯城品牌采购网

6364

SMT贴片中回流焊主要工艺参数的控制方法-芯城品牌采购网

回流焊SMT是将电子元器件焊接到PCB板上,回流焊是用于表面SMD贴装器件。回流焊是利用热气流对焊点的作用,使凝胶状助焊剂在一定的高温气流作用下发生物理反应,实现SMD焊接。之所以称之为“回流焊”,是因为气体在焊机内循环产生高温,以达到焊接的目的。回流焊的主要工艺参数是传热、链速控制和风速风量控制。接下来,我将和大家分享回流焊主要工艺参数的控制方法。1.回流焊热传递的控制。回流焊热风输送目前很多产

芯城品牌采购网

9218

电容电阻在电源输入口串联的特殊用处-芯城品牌采购网

我们经常使用电容和电阻,我们也比较熟悉单个电子元器件的使用。你会用电阻和电容吗?。今天,我就和大家一起简单了解几个电阻电容使用的例子。。1.个电阻器串联电容器。这类应用在电源输入口很常见,如下图1所示。串联电容器一般是陶瓷电容器,小电阻串联在一起,以限制通电瞬间流过电感Le的电流,从而也抑制了A点的电流。。当然,这种连接方法也可以用一个ESR比较大的单个电解电容器来代替。电阻和电容的串联连接也可以

芯城品牌采购网

8310

ClientSSD在过去两年作为推动全球NANDFlash需求位元成长的要角,TrendForce集邦咨询预估,2022年ClientSSD在笔电的渗透率达92%,2023年约96%。但随着疫情宅经济效应退场,加上总体经济不佳导致消费性电子需求急冻,未来ClientSSD将是需求放缓最明显的产品,连带使整体NANDFlash需求位元成长受限,估2022~2025年的年增率均低于30%。容量方面,2

芯城品牌采购网

9133

目标4000亿的广东,再添重量级半导体公司-芯城品牌采购网

近日,广东紫粤半导体有限公司(下称“紫粤半导体”)正式成立,法定代表人王和生,注册资本1亿人民币。天眼查app显示,该公司经营范围含集成电路芯片设计及服务,集成电路芯片及产品制造等。紫光集团对紫粤半导体持股80%。股东信息显示,其余20%股份由广州湾区半导体产业集团有限公司持有。股权穿透后可看到,广州湾区半导体产业集团背后出资人包括广州经济技术开发区管理委员会、广东省财政厅等。据知情人士透露,在广

芯城品牌采购网

6388

金泰克速虎TP3500SE硬盘获太平洋甄选性能小钢炮称号!-芯城品牌采购网

2022年末,PConline资深编辑携手业界专家和平台用户共同进行上千款潮玩好物点评,为DIY玩家们整理硬核高性能硬件配件榜单。金泰克速虎TP3500SE固态硬盘从上千款产品中脱颖而出,获得PConline2022智臻科技奖SSD品类《V选百强好物》奖项——甄选性能小钢炮称号!(太平洋2022智臻科技奖)太平洋电脑网根据产品热度、电商数据等维度挑选上千款产品进入2022智臻科技奖的评选中,经过线

芯城品牌采购网

6109

SK海力士将在CES2023以高效率、高性能存储器吸引全球科技公司-芯城品牌采购网

·以“绿色数字解决方案”为主题,介绍主力/新内存阵容·展示超高性能企业SSD,强化服务器用存储器市场领先企业地位·“提出解决客户痛点的方案”2022年12月27日,SK海力士今日表示,公司将参与明年1月5日至8日在美国拉斯维加斯举行的世界最大的电子、IT展示会——“CES2023”,展示主力存储器产品和新的产品阵容。SK海力士强调:“在此次CES上,公司同步SK集团的‘无碳未来’方向,决定将大幅减

芯城品牌采购网

9010

近日,苏州工业园区集成电路产业投资发展有限公司、集成电路产业园、集成电路产业基金揭牌。其中,集成电路产业基金包括一只天使种子基金、一只成长基金,总规模50亿元,重点孵化引导产业落地及支持产业链上各成长期项目,支持企业做大做强。集成电路产业是电子信息产业的重要组成部分,是苏州起步较早、重点发展的产业之一。目前,苏州已经形成了芯片设计、晶圆制造、封装测试为核心,设备、材料、软件为支撑的完整的产业链条,

芯城品牌采购网

7424

功率运算放大器如何挑选,APEX微技术完全兼容“M/883”等级产品-芯城品牌采购网

三十余年来,国防和航空航天领域工作的行业客户一直依赖APEXMicrotechnology功率运算放大器、开关(PWM)放大器和精密电压基准来满足操作环境的严苛需求。APEX产品提供商业/工业级产品,部分型号同时提供非兼容的“M”级(高可靠性)或完全兼容“M/883”等级产品。APEX产品按照具体工作温度范围分为四级:商业级、工业级、非兼容“M”级和“M/883”兼容军用级。根据应用,如果工作环境

芯城品牌采购网

7578

据“中国建筑”消息,近日,一批重点项目封顶。其中,涉及存储领域的项目包括湖南长沙同有科技存储系统及SSD研发智能制造基地项目。该项目是国家网络安全产业园区(长沙)重点项目,由中建五局承建,位于湖南省长沙市高新区,总建筑面积约8.5万平方米,建设内容包含高层生产厂房、员工宿舍楼、地下车库及其他附属设施等。项目采用百米高层大跨度(25.2米)盒式结构,建成后将成为国内一流的自主可控存储系统及闪存SSD

芯城品牌采购网

9322

魏少军最新报告全文:中国IC设计企业达3243家,全行业销售预计5345.7亿元-芯城品牌采购网

12月26日,中国半导体行业协会集成电路设计分会理事长魏少军教授在“中国集成电路设计业2022年会暨厦门集成电路产业创新发展高峰论坛(ICCAD2022)”上作了题为《以持续创新赢得美好未来》的主旨报告。魏少军教授分别从芯片设计企业数量、设计产业销售情况、主要区域发展情况、设计企业人员情况、以及产品领域分布等方面介绍了2022年中国设计业总体发展情况。以下为报告全文:

芯城品牌采购网

8692

据株洲经开区消息,12月23日,2022全国工业APP和信息消费大赛颁奖典礼暨“新生产·新消费·新经济”产业峰会及系列活动在株洲举行。其中,株洲北斗产业园签约6个项目,总投资额15.38亿元,涉及航天科技卫星、北斗芯片研发及规模应用、无人机规模化生产、科普展示体验中心等领域,将进一步完善株洲北斗产业链布局。武汉大学北斗三号高精度融合芯片研发及应用产业化项目,总投资2亿元,依托武汉大学国家卫星定位系

芯城品牌采购网

6563

据天眼查信息,近日,浙江晶诚新材料有限公司(以下简称“晶诚新材料”)成立,法定代表人为毛全林,注册资本1000万元人民币,经营范围包含电子专用材料制造;非金属矿物制品制造;半导体器件专用设备制造;新材料技术研发;石墨及碳素制品制造;石墨及碳素制品销售;新材料技术推广服务;电子专用材料研发;电子专用材料销售。股东信息显示,晶诚新材料的大股东为浙江晶盛机电股份有限公司。后者是专注于“先进材料、先进装备

芯城品牌采购网

6837

定了!台积电3纳米下周量产-芯城品牌采购网

12月25日,据台媒报道,台积电总裁魏哲家此前预告“3纳米今年内在台湾地区量产”的承诺即将兑现。12月23日,台积电发出活动邀请,12月29日将在南科举办3纳米量产暨扩厂典礼。此前,魏哲家在法说会上提到,3纳米进度符合预期,具备良好良率并将在第四季度量产,在高速运算和智能手机应用驱动下,客户对3纳米需求超过产能。此外,魏哲家承诺2纳米工艺2025年量产时会是“最领先的技术”。台积电多次预告今年内在

芯城品牌采购网

7589

库存去化尚未结束,IC设计明年Q1营收恐再探底-芯城品牌采购网

此前据全球市场研究机构TrendForce集邦咨询12月15日研究显示,2022年第三季全球前十大IC设计业者营收达373.8亿美元,环比减少5.3%,全球IC设计产业营收动能下滑。TrendForce集邦咨询表示,IC设计业者受产品组合规划不同,如数据中心、网络、物联网、汽车等产品组合需求稳定,但消费电子、面板、挖矿等需求走弱,终端拉货力道缩手影响,营收互有增减。然而,面对低迷的市况,第三季半数

芯城品牌采购网

7824

据三角发布消息,2022年12月30日,中山芯承半导体有限公司(以下简称“芯承半导体”)首台设备——垂直连续电镀线(图形填孔,用于MSAP制程里的图形填孔电镀)完成吊装,标志着公司投产正式进入倒计时阶段。2021年,芯承半导体高密度倒装芯片封装基板项目落地三角镇,该项目总投资30亿元,分两期进行,其中一期投资约10亿元,计划于2023年上半年完成一条FCCSP基板产线建设并投产。芯承半导体将利用项

芯城品牌采购网

7439

12月23日,万业企业发布公告称,公司拟以自有资金4亿元人民币认购上海半导体装备材料产业投资基金二期(筹)(暂定名,以工商注册名称为准,以下简称“基金”)的份额。该基金总规模拟为20.2亿元人民币,拟由上海半导体装备材料产业投资管理有限公司(以下简称“半导体管理公司”)发起设立,募集规模预计达到15亿元人民币,即可首次募集完成,其余资金预计在2023年6月30日前完成后续募集。目前,主要的意向投资

芯城品牌采购网

7596

据荆州经开区消息称,近日,联仕新材料项目一期主体工程已基本完工,预计2023年12月建成投产运营,可年产18.64万吨高纯湿电子化学品;今年8月,总投资7亿元的二期项目已开工建设,将建成高纯电子化学品生产、混配、分装生产线等多条生产线。据悉,湿电子化学品是集成电路关键核心材料。荆州经开区透露,联仕新材料项目由联仕(湖北)新材料有限公司全资投资,其开发出超净高纯电子级氢氟酸、硫酸、磷酸、硝酸、混配类

芯城品牌采购网

6328

据证监会披露,12月14日,华泰联合证券关于杭州华澜微电子股份有限公司(以下简称“华澜微”)首次公开发行股票并上市辅导情况报告。公开资料显示,华澜微成立于2011年,注册资本为15,000万元,该公司立足于自主知识产权的集成电路芯片技术,聚焦计算机总线接口、数据存储和数据安全核心技术,提供安全的存储控制芯片、存储模组、存储系统、行业大数据解决方案。目前,华澜微积累和掌握了PCIe、SAS、SATA

芯城品牌采购网

8029

12月14日,12英寸先进智能传感器及特色工艺晶圆制造产线项目广州增芯在广州增城正式动工。据广州日报报道,广州增芯项目的全称是增芯12英寸先进智能传感器及特色工艺晶圆制造量产线项目,由广州智能传感器产业集团发起,批复投资70亿元人民币,将建设月加工2万片12英寸的晶圆制造量产线。项目于2022年12月开工,计划2024上半年通线,2025年年底满产。MEMS传感器被看作是未来传感器最重要的类型之一

芯城品牌采购网

8402

据东京电视台周三报道,日本芯片企业Rapidus正在考虑在日本北部的北海道建设一家芯片工厂。据报道,Rapidus最早可能会在2月底之前就新厂址做出正式决定。Rapidus表示,最早可能会在2月底正式决定新工厂选址,北海道西南部约有10万人口,千岁市是一个可能的选址地点。日本政府已表示将向Rapidus投资700亿日元,这是一家由索尼集团和NEC公司等科技公司结盟的合资企业。Rapidus本月早些

芯城品牌采购网

8981

据金鼎资本消息,近日,国内碳化硅芯片设计公司深圳市至信微电子有限公司(以下简称“至信微电子”)宣布完成数千万元天使+轮融资,本轮融资由深圳高新投领投,半导体产业基金前海扬子江基金,思脉产融以及老股东金鼎资本、太和资本参投。本轮融资资金将用于加速公司产品研发、团队扩建以及市场拓展等。资料显示,至信微电子成立于2021年,是一家专注于碳化硅功率器件研发的高科技公司,主打产品为碳化硅MOSFET及模组等

芯城品牌采购网

8153

据韩媒《BusinessKorea》12月14日报道,三星拟投资1676亿美元在泰勒市新建9家半导体工厂计划的减税申请已获得了得克萨斯州泰勒市独立学区董事会批准,该批准将为三星节省48亿美元(约合6.26万亿韩元)的税收。2021年11月,三星宣布在得克萨斯州泰勒市建设半导体工厂,预计投资170亿美元,将于2024年下半年投入运营,建成之后采用先进制程工艺制造用于智能手机、5G、高性能计算、人工智

芯城品牌采购网

8749

STM意法半导体新碳化硅功率模块提升电动汽车的性能和续航里程-芯城品牌采购网

2022年12月14日,中国----服务多重电子应用领域、全球排名前列的半导体公司STM意法半导体(STMicroelectronics,简称ST;纽约证券交易所代码:STM)发布了可提高电动汽车性能和续航里程的大功率模块。意法半导体的新碳化硅(SiC)功率模块已用在现代汽车公司的E-GMP电动汽车平台,以及共享该平台的起亚EV6等多款车型。意法半导体新推出的五款基于碳化硅MOSFET的功率模块为

芯城品牌采购网

8063

解析功率MOSFET的驱动电感性负载-芯城品牌采购网

文章介绍了采用表面贴装封装设计LITTLEFOOT®功率MOSFET的过程。它描述了功率MOSFET的驱动电感性负载,公共栅极驱动器以及磁盘驱动器应用以及公共栅极级的驱动电容性负载。VishaySiliconix的LITTLEFOOT功率MOSFET将强大的功率处理能力封装在纤巧的表面贴装封装中。标准概述的8引脚SOIC封装(图1)具有铜引线框架,可最大程度地提高热传递,同时保持与现有表面贴装技术

芯城品牌采购网

7655

决定开关电源寿命的元器件-芯城品牌采购网

1、决定开关电源寿命的元器件①电解电容器电解电容器的封口部位会漏出气化的电解液,这种现象会随着温度的升高而加速,一般认为温度每上升10℃,泄漏速度会提高至2倍。因此可以说电解电容器决定了电源装置的寿命。②风扇球形轴承及轴承的润滑油枯竭、机械装置部件的磨损,会加速风扇的老化。加之近年的DC风扇的驱动回路开始使用电解电容器等部件,所以有必要将回路部件寿命等因素也一并考虑进去。③光电耦合器电流传达率(C

芯城品牌采购网

6417

干簧管工作原理和特性-芯城品牌采购网

平行动作(见图1,图2,图3,图4,图5);与以上的垂直运动相结合(见图6,图7,图8,图9);在我们探讨每一个方法前,首先要清楚各种状态干簧管及磁铁位置间的关系以及他们在开或合状态下的特性。根据干簧管尺寸与磁场强度的不同,开关的开合点也会有相应的改变。首先我们来先考虑磁铁与干簧管(磁簧开关)是平行安放的情况。图1,开关打开与闭合范围是表示为x轴和y轴。这些范围代表磁铁在干簧管附近沿着x轴运动的物

芯城品牌采购网

5616

关于电阻器选购知识1)根据电路特点选用高频电路:分布参数越小越好,应选用金属膜电阻、金属氧化膜电阻等高频电阻。低频电路:绕线电阻、碳膜电阻都适用。退耦电路、滤波电路:对阻值变化没有严格要求,任何类电阻器都适用。功率放大电路、偏置电路、取样电路:电路对稳定性要求比较高,应选温度系数小的电阻器。2)根据电阻器的阻值和误差选用阻值选用:原则是所用电阻器的标称阻值与所需电阻器阻值差值越小越好。误差选用:时

芯城品牌采购网

7081

据凤凰网江苏消息,1月3日,苏州工业园区2023年一季度重大项目集中开工仪式举行。集中开工的49个产业项目包括:SEW-电机智能制造项目、三星半导体存储芯片项目、科阳半导体先进封装项目、联东U谷项目、光格总部大楼项目、天臣国际医疗总部基地项目、赛芯科技总部项目、源卓光电总部项目等。据悉,今年一季度,苏州工业园区开工项目89个,总投资557亿元,年度计划投资201亿元,涵盖新一代信息技术、高端装备制

芯城品牌采购网

7979